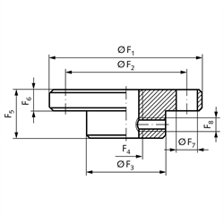
Werkstoff: Stahl C45 verzinkt.

Anbauplatte mit metrischem Befestigungsgewinde, zur Montage am Spindelende.

Service:

Katalogseite

Betriebs / Wartungsanleitung

Zusätzliche Informationen



Die angebotenen CAD-Daten, Abbildungen und technischen Zeichnungen werden mit größtmöglicher Sorgfalt erstellt.
Dennoch kann keine Gewährleistung für die Fehlerfreiheit und Genauigkeit dieser Daten übernommen werden.

( freibleibend aus Lagervorrat / kurzfristig lieferbar / Lieferzeit nach Vereinbarung. Bitte fragen Sie nach. )
Artikel Menge BaugrösseF1
[mm]
F2
[mm]
F3
[mm]
F4
[mm]
F5
[mm]
F6
[mm]
F7
[mm]
F8
[mm]
Gewicht
[kg]
47500015
0504026M101674 x Ø7M40,1
47500115
1654829M122074 x Ø9M50,2
47500215
2806039M142084 x Ø11M60,3
47500315
3906746M2023104 x Ø11M80,6
47500415
41108560M3030154 x Ø13M81,3


zur Gruppe


Impressum AGB Hilfe Datenschutzerklärung Index


MÄDLER on Facebook Facebook MÄDLER on Youtube YouTube MÄDLER on Twitter Twitter MÄDLER on Instagram Instagram MÄDLER on Xingk Xing MÄDLER on Linkedin LinkedIn