Werkstoff: Gehäuse bis Ø78 mm aus Sinterstahl,über Ø78 mm aus GG20, Hebelarm aus St52.

Diese Spannelemente eignen sich für die Spannung herkömmlicher Ketten- und Riementriebe. Die Federkörper basieren auf hochelastischem, formbeständigem Naturgummi. Die Spannelemente sind blau lackiert und werden mit einer verzinkten Schraube und Federring ausgeliefert. Für beide Spannrichtungen geeignet. Temperaturbereich -40 ° C bis +80 °C.

Service:

Katalogseite

Zusätzliche Informationen



Die angebotenen CAD-Daten, Abbildungen und technischen Zeichnungen werden mit größtmöglicher Sorgfalt erstellt.
Dennoch kann keine Gewährleistung für die Fehlerfreiheit und Genauigkeit dieser Daten übernommen werden.

( freibleibend aus Lagervorrat / kurzfristig lieferbar / Lieferzeit nach Vereinbarung. Bitte fragen Sie nach. )
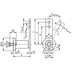
Artikel Menge GrößeFmax. bei normal
[N]
Fmax. bei hart
[N]
Smax. bei normal
[mm]
Smax. bei hart
[mm]
D
[mm]
E
[mm]
G
[mm]
H
[mm]
J1
[mm]
J2
[mm]
K
[mm]
L
[mm]
M
[mm]
N
[mm]
O
[mm]
P
[mm]
Q
[mm]
T
[mm]
MA
[Nm]
Gewicht
[kg]
14080000
09612840303551+1-0,55M680602090,0202268,016,58,5100,18
14080100
113517050404564+1-0,55M81008025112,5253088,520,810,5250,37
14080200
235044050405879+1,5-0,57M101008030115,0303510,58,525,310,5490,66
14080212
235044050405879+1,5-0,57M101008030115,0303510,58,525,312,5490,65
14080216
235044050405879+1,5-0,57M101008030115,0303510,58,525,316,5490,64
14080300
38101050655078108+2-0,58M1213010050155,040521510,534,312,5861,81
14080400
41500187587,57095140+2-0,510M1617514060205,040661712,542,020,52103,55


zur Gruppe


Impressum AGB Hilfe Datenschutzerklärung Index


MÄDLER on Facebook Facebook MÄDLER on Youtube YouTube MÄDLER on Twitter Twitter MÄDLER on Instagram Instagram MÄDLER on Xingk Xing MÄDLER on Linkedin LinkedIn