Werkstoff: Edelstahl 1.4301 (V2A).

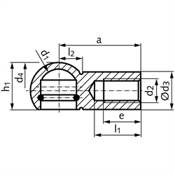
Form B: Kugelpfanne mit Sprengring und Nut für Sicherungsbügel.

Diese Bauteile sind zur Aufnahme eines Kugelzapfens (z.B. nach DIN 71803) vorgesehen. Bei der Montage wird der Kugelzapfen durch den Sprengring gedrückt und durch diesen gehalten.

Bei kritischen Umgebungsbedingungen ist eine zusätzliche Abdichtung oder ein geschützter Einbau erforderlich.

RH = Innen-Rechtsgewinde.

LH = Innen-Linksgewinde, gekennzeichnet mit einer umlaufenden

Service:

Katalogseite



Die angebotenen CAD-Daten, Abbildungen und technischen Zeichnungen werden mit größtmöglicher Sorgfalt erstellt.
Dennoch kann keine Gewährleistung für die Fehlerfreiheit und Genauigkeit dieser Daten übernommen werden.

( freibleibend aus Lagervorrat / kurzfristig lieferbar / Lieferzeit nach Vereinbarung. Bitte fragen Sie nach. )
Artikel Menge FormGewindeausführungd1 +0,1
[mm]
Gewindegröße d2
[mm]
d3±0,5
[mm]
d4±0,5
[mm]
a ±0,3
[mm]
e
[mm]
h1±0,4
[mm]
l1
[mm]
l2±0,4
[mm]
Gewicht
[kg/100 Stück]
63640554
B rechts8M5812,82210,210,8156,30,88
63640654
Brechts10M61014,82511,512,3177,01,41
63640854
Brechts13M81319,33014,015,8209,12,88
63641054
Brechts16M101624,03515,5202211,45,68
63641454
Brechts19M14 x 1,52230,04521,5252812,512,48
63650554
Blinks8M5812,82210,210,8156,30,88
63650654
Blinks10M61014,82511,512,3177,01,41
63650854
Blinks13M81319,33014,015,8209,12,88
63651054
Blinks16M101624,03515,5202211,45,68
63651454
Blinks19M14 x 1,52230,04521,5252812,512,48


zur Gruppe


Impressum AGB Hilfe Datenschutzerklärung Index


MÄDLER on Facebook Facebook MÄDLER on Youtube YouTube MÄDLER on Twitter Twitter MÄDLER on Instagram Instagram MÄDLER on Xingk Xing MÄDLER on Linkedin LinkedIn