Werkstoff: Vergütungsstahl, brüniert.
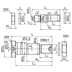
• Exzentrische Zapfen zur Montage von Profillaufrollen in verstellbarer Position, zur spielfreien Einstellung der Laufrolle.
• Ein Wagen wird normalerweise mit vier Rollen versehen: Auf der einen Seite zwei Rollen mit zentrischen Zapfen. Auf der anderen Seite zwei Rollen mit exzentrischen Zapfen, damit der Wagen spielfrei eingestellt werden kann.
• Die Zuordnung des Zapfens zur Profillaufrolle erfolgt nach Linearwellenstahldurchmesser dw und Zapfendurchmesser dz.
• Im Lieferumfang ist eine Scheibe enthalten, mit der die Profillaufrolle freigängig montiert werden kann (ab LFE8).

* LFE12x45A1 ohne axialem Gewinde M8x1, Bohrungs-Ø 5,9 mm und einseitiger radialer Schmierbohrung-Ø 3,3 mm.

Service:

Katalogseite



Die angebotenen CAD-Daten, Abbildungen und technischen Zeichnungen werden mit größtmöglicher Sorgfalt erstellt.
Dennoch kann keine Gewährleistung für die Fehlerfreiheit und Genauigkeit dieser Daten übernommen werden.

( freibleibend aus Lagervorrat / kurzfristig lieferbar / Lieferzeit nach Vereinbarung. Bitte fragen Sie nach. )
Artikel Menge Bezeichnungdw
[mm]
dz
[mm]
L
[mm]
L1
[mm]
L2
[mm]
L3
[mm]
L4
[mm]
Lz
[mm]
A5
[mm]
d1
[mm]
DK
[mm]
G1
[mm]
G2
[mm]
H1
[mm]
S
[mm]
Ds
[mm]
E
[mm]
SW
[mm]
SW1
[mm]
SW2
[mm]
Gewicht
[g]
64780401
LFE54/6 5 -20,5 - -9 -15 - -M4M42,9 - -0,5 -726
64780403
LFE868 -33,2 - -13,73,522 - -M8M8x0,541141 -13 514
64780404
LFE121012 -50 - -19,5 533,5 - -M10M108,41,8211 -17634
64780405
LFE12/M121012 -57 - -24 541 - -M12M126,51,8191 -17650
64780406
LFE151015 -57 - -24 541 - -M12M126,51,8211 -19660
64780407
LFE12x45A1*121250 -4516 - -301020M10x1,5 -82210,751717 -40
64780408
LFE20x67A1162075 -6723 - -451730M16x1,5 -1333012724 -200
64780409
LFE25x82A120/252592 -8230 - -572240M20x1,5 -1633713630 -400
64780411
LFE30x95A13030107 - 9532 - -672745M24x1,5 -1944414136 -620
64780412
LFE40x107A14040117 -10742 - -723655M30x1,5 -2445614646 -1100


zur Gruppe


Impressum AGB Hilfe Datenschutzerklärung Index


MÄDLER on Facebook Facebook MÄDLER on Youtube YouTube MÄDLER on Twitter Twitter MÄDLER on Instagram Instagram MÄDLER on Xingk Xing MÄDLER on Linkedin LinkedIn